Временное электроснабжение нужд строительства общеобразовательной школы на 825 учащихся

Автор: Даниил Валерьевич
Тэги: 4кВ временное электроснабжение строительная площадка, проектирование 0

В ходе проектных работ было выполнено устройство сетей внутреннего временного электроснабжения нужд строительства.

Были сформированы:

  • План сети временного электроснабжения и электроосвещения
  • Структурная схема
  • ГРЩ. Схема электрическая принципиальная
  • ЩС1. Схема электрическая принципиальная
  • ЩС2. Схема электрическая принципиальная
  • ЩС3. Схема электрическая принципиальная
  • ЩЭ (тип1). Схема электрическая принципиальная
  •  ЩЭ (тип2). Схема электрическая принципиальная
  •  ЩР (тип.) Схема электрическая принципиальная
  •  ЩБ-1. Схема электрическая принципиальная
  •  ЩБ-2. Схема электрическая принципиальная
  •  ЩНО-1. Схема электрическая принципиальная
  •  ЩНО-2. Схема электрическая принципиальная
  •  ЩКР(тип.). Схема электрическая принципиальная
  •  Подставка под щит силовой
  • Схема заземления башенного крана
  • Система уравнивания потенциалов
  • Подключение и заземление сварочных трансформаторов.
  • Схема установки вагона-бытовок
  • Ведомость объемов земляных работ
  • Спецификация оборудования и материалов
  • Таблица расчета электрических нагрузок
  • Выбор автоматических выключателей
  • Проверка кабеля по напряжению
  • Проверка УЗО по суммарному току утечки
  • Проверка условий срабатывания защитного аппарата при однофазном замыкании
  • Расчет заземления

Использовались документы:

  • ПУЭ-Правила устройства электроустановок
  • СТО НОСТРОЙ 2.33.52-2015-Организация строительной площадки
  • ГОСТ 12.1.046-2014-Система стандартов безопасности труда. Строительство. Нормы освещения строительных площадок (ИУС 8-2015)
  • ГОСТ Р 50571.3-2009-Электроустановки низковольтные. Часть 4-41. Требования для обеспечения безопасности. Защита от поражения электрическим током
  • ГОСТ Р 50571.23-2000-Электроустановки зданий. Часть 7. Требования к специальным электроустановкам. Раздел 704. Электроустановки строительных площадок
  • А2-95         Прокладка кабелей напряжением до 35 кВ в траншеях
  • СП 76.13330.2016-Электротехнические устройства
  • Технический циркуляр 10/2006-О схемах временного электроснабжения строительных площадок
  • Технический циркуляр 11/2006-О заземляющих электродах и заземляющих проводниках

Скриншоты проектных листов:

1. Фрагмент плана сети временного электроснабжения и электроосвещения:

1.PNG

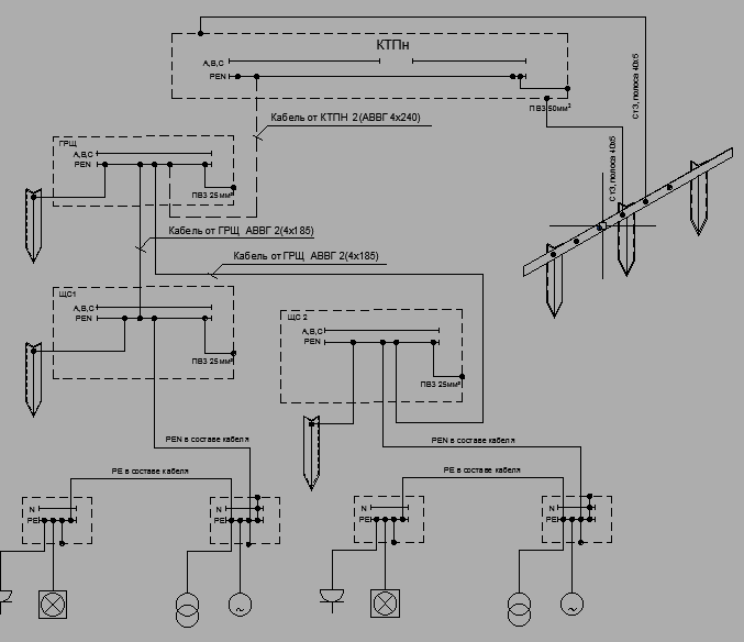
2. Фрагмент однолинейной схемы ГРЩ

2.PNG

3. Фрагмент схемы уравнивания потенциалов

3.PNG

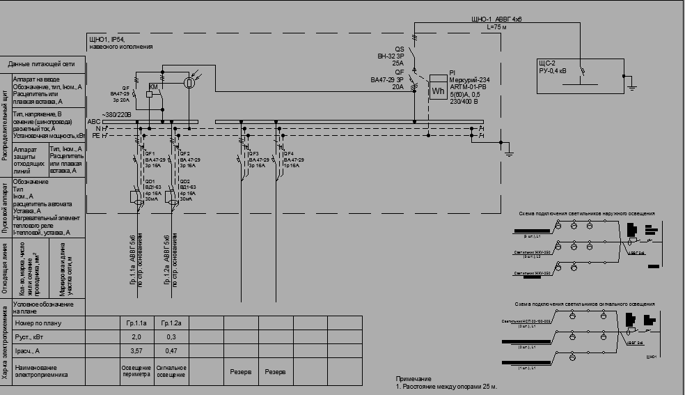
4. Фрагмент схемы щита освещения

4.PNG

Поделитесь полезной информацией: